
Marque :
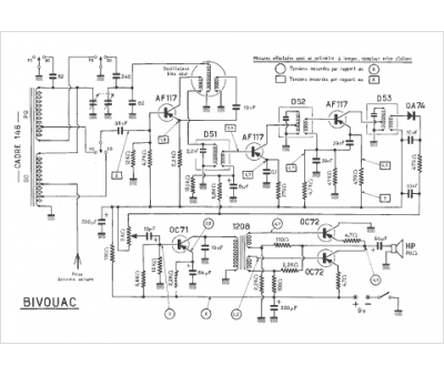
Reela
Modèle :
Bivouac
Type appareil :
récepteur à transistors
Pays d'origine :
France
