
Marque :
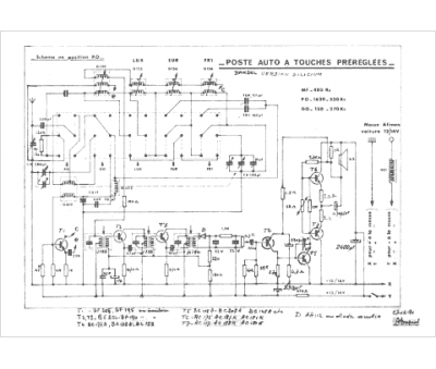
Reela
Modèle :
Bandol Si
Type appareil :
récepteur à tubes
Pays d'origine :
France
