
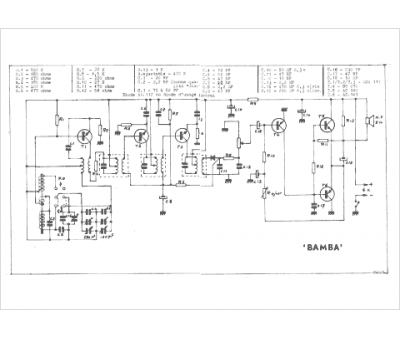
Marque :
Reela
Modèle :
Bamba
Type appareil :
récepteur à transistors
Pays d'origine :
France
