
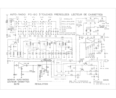
Marque :
Reela
Modèle :
3 touches pr. - cassette
Type appareil :
récepteur à tubes
Pays d'origine :
France
