
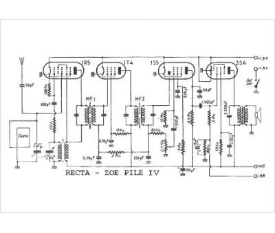
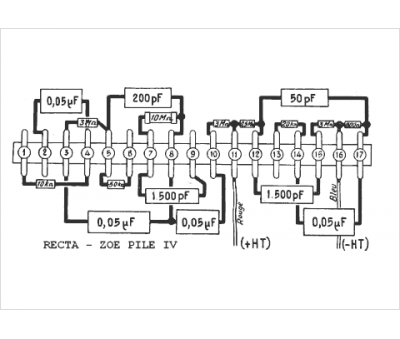
Marque :
Recta
Modèle :
Zoe Pile IV
Type appareil :
récepteur à tubes
Pays d'origine :
France
