
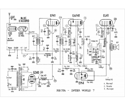
Marque :
Recta
Modèle :
Inter World 7
Type appareil :
récepteur à tubes
Pays d'origine :
France
