
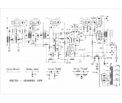
Marque :
Recta
Modèle :
Gramrex PP8
Type appareil :
récepteur à tubes
Pays d'origine :
France
