
Marque :
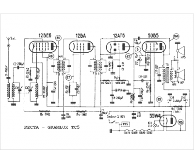
Recta
Modèle :
Gramlux TC5
Type appareil :
récepteur à tubes
Pays d'origine :
France
