
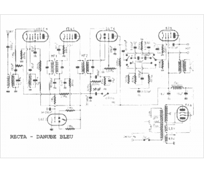
Marque :
Recta
Modèle :
Danube bleu
Type appareil :
récepteur à tubes
Pays d'origine :
France
