
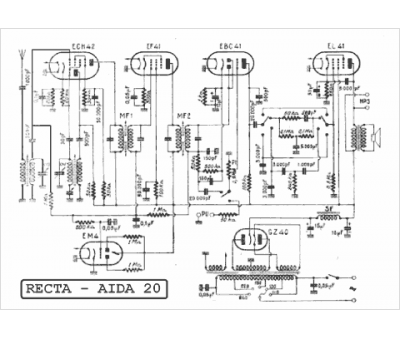
Marque :
Recta
Modèle :
Aida 20
Type appareil :
récepteur à tubes
Pays d'origine :
France
