
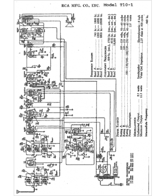
Marque :
RCA
Modèle :
T10-1
Type appareil :
récepteur à tubes
Année :
1936
Pays d'origine :
États-Unis
