
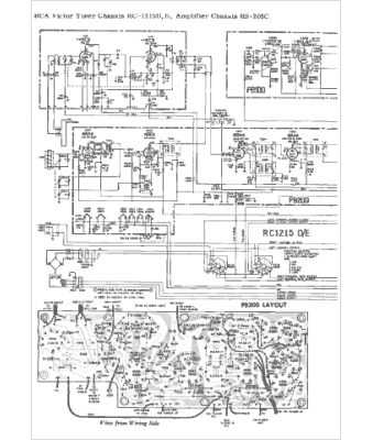
Marque :
RCA
Modèle :
RS203C
Type appareil :
récepteur à tubes
Année :
1965
Pays d'origine :
États-Unis
