
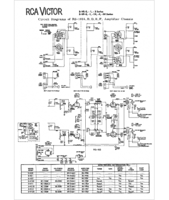
Marque :
RCA
Modèle :
RS-193A
Type appareil :
récepteur à tubes
Année :
1962
Pays d'origine :
États-Unis
