
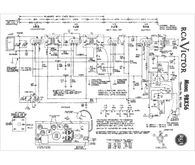
Marque :
RCA
Modèle :
RC1068
Type appareil :
récepteur à tubes
Année :
1950
Pays d'origine :
États-Unis
