
Marque :
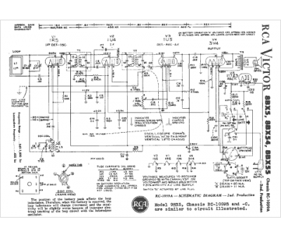
RCA
Modèle :
RC1059A
Type appareil :
récepteur à tubes
Année :
1950
Pays d'origine :
États-Unis
