
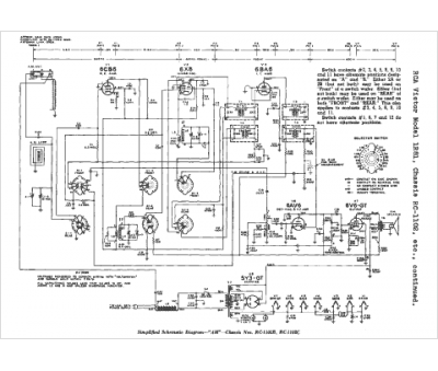
Marque :
RCA
Modèle :
RC-1102
Type appareil :
récepteur à tubes
Année :
1952
Pays d'origine :
États-Unis
