
Marque :
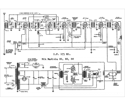
RCA
Modèle :
Radiola 82
Type appareil :
récepteur à tubes
Pays d'origine :
États-Unis
