
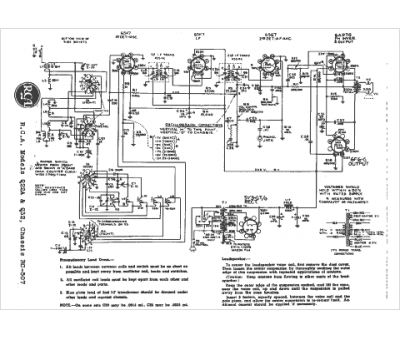
Marque :
RCA
Modèle :
Q32
Type appareil :
récepteur à tubes
Année :
1946
Pays d'origine :
États-Unis
