
Marque :
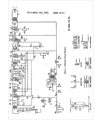
RCA
Modèle :
M101
Type appareil :
récepteur à tubes
Année :
1936
Pays d'origine :
États-Unis
