
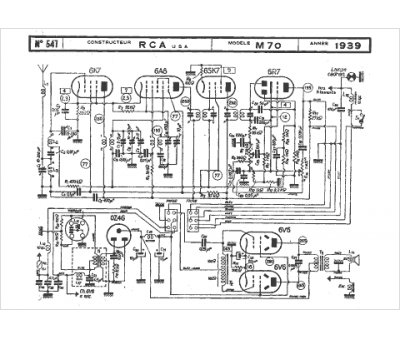
Marque :
RCA
Modèle :
M 70
Type appareil :
récepteur à tubes
Année :
1939
Pays d'origine :
États-Unis
