
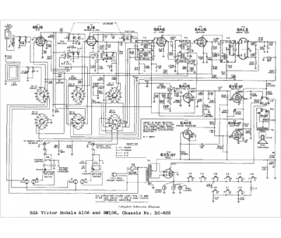
Marque :
RCA
Modèle :
A106
Type appareil :
récepteur à tubes
Année :
1950
Pays d'origine :
États-Unis
