
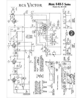
Marque :
RCA
Modèle :
8BX5
Type appareil :
récepteur à tubes
Année :
1949
Pays d'origine :
États-Unis
