
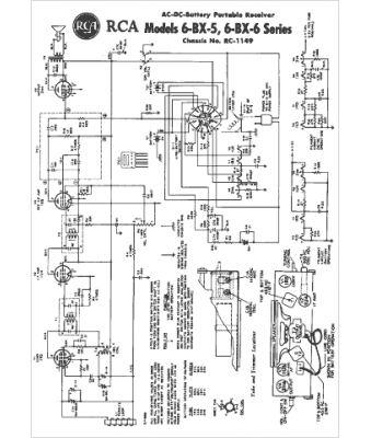
Marque :
RCA
Modèle :
6BX6
Type appareil :
récepteur à tubes
Année :
1955
Pays d'origine :
États-Unis
