
Marque :
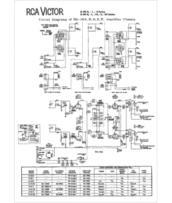
RCA
Modèle :
3VF-107X
Type appareil :
récepteur à tubes
Année :
1963
Pays d'origine :
États-Unis
