
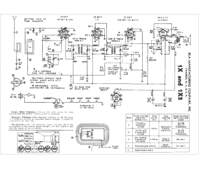
Marque :
RCA
Modèle :
1X
Type appareil :
récepteur à tubes
Année :
1941
Pays d'origine :
États-Unis
