
Marque :
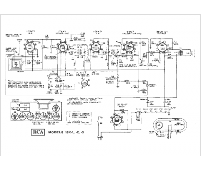
RCA
Modèle :
16X2
Type appareil :
récepteur à tubes
Année :
1941
Pays d'origine :
États-Unis
