
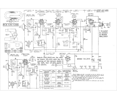
Marque :
RCA
Modèle :
12 AX
Type appareil :
récepteur à tubes
Pays d'origine :
États-Unis
