
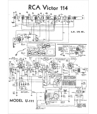
Marque :
RCA
Modèle :
114
Type appareil :
récepteur à tubes
Année :
1938
Pays d'origine :
États-Unis
