
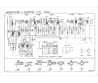
Marque :
Raymond
Modèle :
RG 2041
Type appareil :
récepteur à tubes
Pays d'origine :
Grande-Bretagne, Italie
