
Marque :
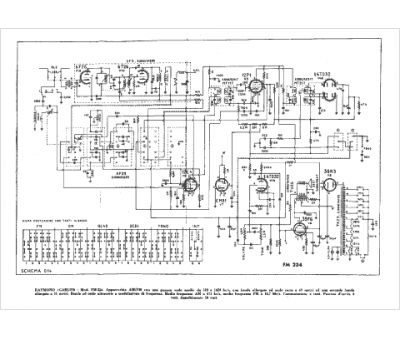
Raymond
Modèle :
Magnadyne FM 23
Type appareil :
récepteur à tubes
Pays d'origine :
Grande-Bretagne, Italie
