
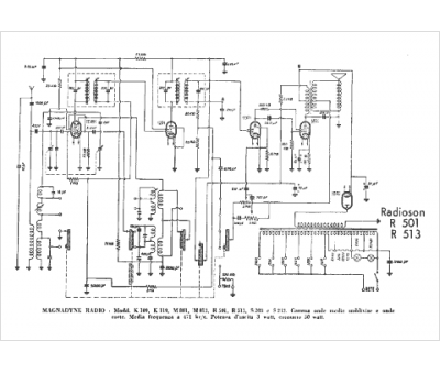
Marque :
Radioson
Modèle :
R 513
Type appareil :
récepteur à tubes
Pays d'origine :
Italie
