
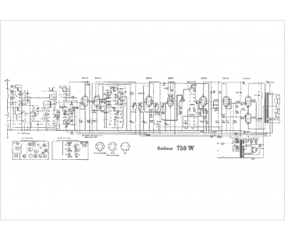
Marque :
Radione
Modèle :
750 W
Type appareil :
récepteur à tubes
Pays d'origine :
Autriche, Allemagne
