
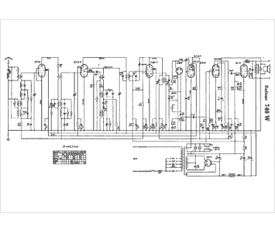
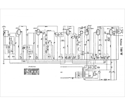
Marque :
Radione
Modèle :
740 W
Type appareil :
récepteur à tubes
Pays d'origine :
Autriche, Allemagne
