
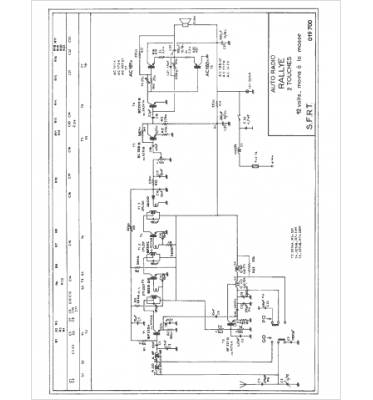
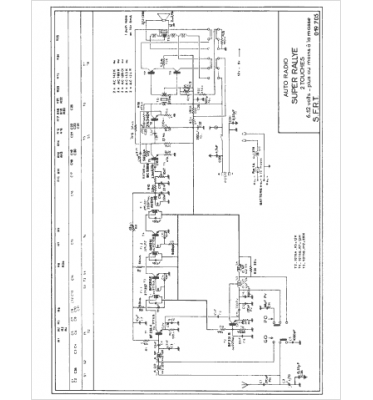
Marque :
Radiomatic
Modèle :
Rallye
Type appareil :
Autoradio
Pays d'origine :
France
