
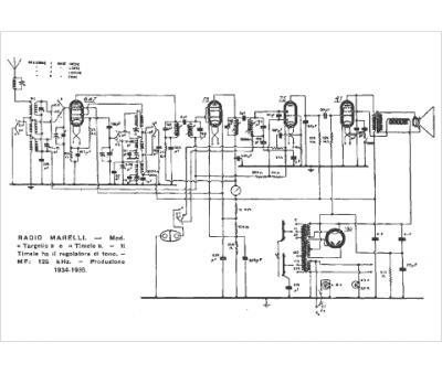
Marque :
Radiomarelli
Modèle :
Targelio
Type appareil :
récepteur à tubes
Pays d'origine :
Italie
