
Marque :
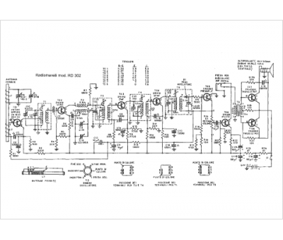
Radiomarelli
Modèle :
RD 302
Type appareil :
récepteur à tubes
Pays d'origine :
Italie
