
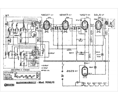
Marque :
Radiomarelli
Modèle :
9U 65 G
Type appareil :
récepteur à tubes
Pays d'origine :
Italie
