
Marque :
Radiomarelli
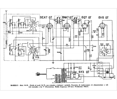
Modèle :
9A 85
Type appareil :
récepteur à tubes
Pays d'origine :
Italie
