
Marque :
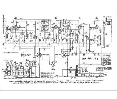
Radiomarelli
Modèle :
166
Type appareil :
récepteur à tubes
Pays d'origine :
Italie
