
Marque :
Radiomarelli
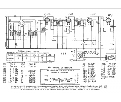
Modèle :
133
Type appareil :
récepteur à tubes
Pays d'origine :
Italie
