
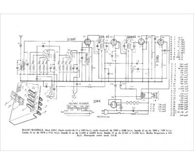
Marque :
Radiomarelli
Modèle :
130 C
Type appareil :
récepteur à tubes
Pays d'origine :
Italie
