
Marque :
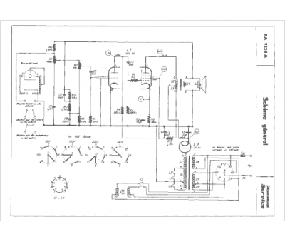
Radiola
Modèle :
RA 9224 A
Type appareil :
récepteur à tubes
Année :
1959
Pays d'origine :
France
