
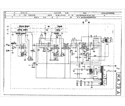
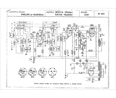
Marque :
Radiola
Modèle :
RA 73 A
Type appareil :
récepteur à tubes
Année :
1947
Pays d'origine :
France
