
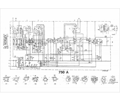
Marque :
Radiola
Modèle :
RA 68 A
Type appareil :
récepteur à tubes
Année :
1938
Pays d'origine :
France
