
Marque :
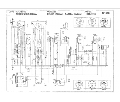
Radiola
Modèle :
RA 552 A
Type appareil :
récepteur à tubes
Année :
1953
Pays d'origine :
France
