
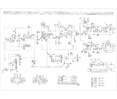
Marque :
Radiola
Modèle :
RA 5220
Type appareil :
récepteur à tubes
Année :
1962
Pays d'origine :
France
