
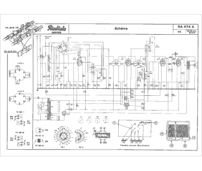
Marque :
Radiola
Modèle :
RA 474 A
Type appareil :
récepteur à tubes
Année :
1954
Pays d'origine :
France
