
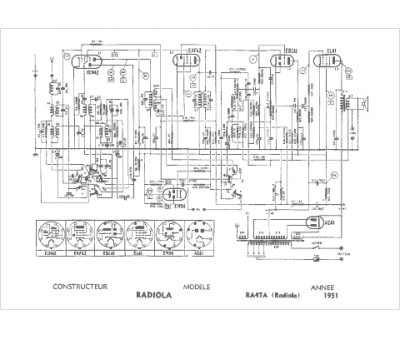
Marque :
Radiola
Modèle :
RA 47 A
Type appareil :
récepteur à tubes
Année :
1951
Pays d'origine :
France
