
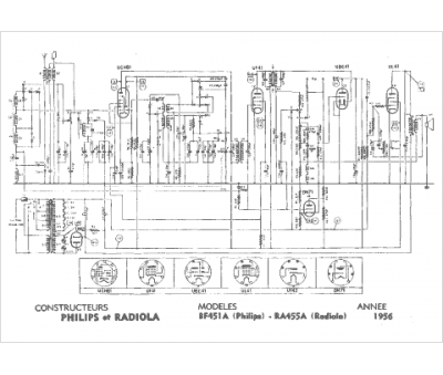
Marque :
Radiola
Modèle :
RA 455 U
Type appareil :
récepteur à tubes
Année :
1956
Pays d'origine :
France
