
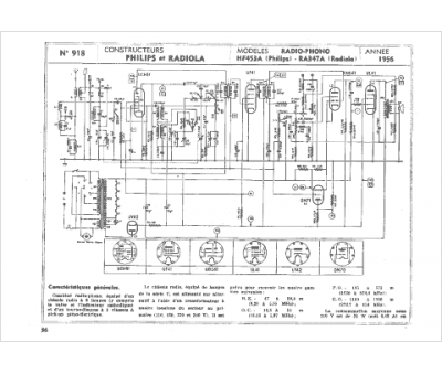
Marque :
Radiola
Modèle :
RA 347 A
Type appareil :
récepteur à tubes
Année :
1955
Pays d'origine :
France
